


? 吊裝鉗用于吊裝鋼板的工具,其種類繁多,作為起重作業的核心設備,其保養與維護直接關系到作業安 全、設備壽命及使用效率。那如何保養維護呢? 1.定期檢查鉗體、連......
? 鋼板起重鉗,相信大家都不陌生,那么大家知道購買起重鉗后,該如何正確的操作嗎?下面辰力小編就來詳細為大家介紹一下,怎么操作吊鉗的方法。...
? 鋼板搬運是一項常見的工作。選擇合適的鋼板起重鉗并正確使用,不但能提高工作效率,還能保障作業安 全。本文將詳細介紹鋼板吊鉗的種類、使用方法等知識,幫助您順利完......
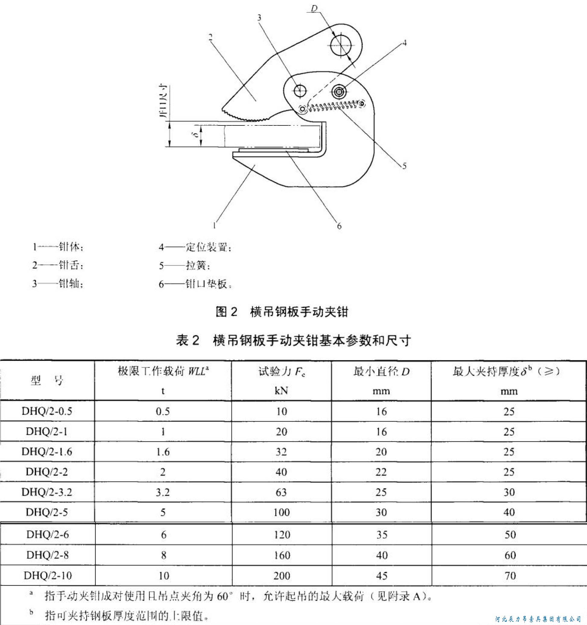
起重吊裝鉗是起重作業的核心吊具,分為多個品類,以下是常見品類的介紹: 橫吊鋼板鉗(常用,水平起吊鋼板) 為可調節開口式結構,依靠起吊拉力實現自鎖夾持。 ......
?油桶起重鉗吊鉤結構上不是單一的,吊裝塑料桶的話也可以完成工作,但是當塑料桶比較重而且塑料材質強度不算高時,在使用油桶鉗夾住桶的卷邊接觸面積比較小,可能會出現把......
就手拉葫蘆鏈條行數來說,1噸和2噸手拉葫蘆是單鏈條,即一根鏈,3噸和5噸是雙鏈條,即兩根鏈,10噸是4根鏈條,20噸是8根鏈條,這里的數量指的是起重鏈條數目。一......
辰力集團
全國服務熱線 